Skip to content Skip to sidebar Skip to footer

Post Catalyst Fuel Trim System Too Rich

P2097 Code Post Catalyst Fuel Trim System Too Rich Bank 1 In The Garage With Carparts Com

P2097 Code Post Catalyst Fuel Trim System Too Rich Bank 1 In The Garage With Carparts Com

Post catalyst fuel trim system too rich. P2099 LINCOLN Post Catalyst Fuel Trim System Too Rich Bank 2. Sep 03 2016 Cars Trucks. P0175 Oxygen sensing adaptation Bank 2.

P2099 - Post Catalyst Fuel Trim System Too Rich Bank 2 Read full answer. P2099 VOLKSWAGEN Post Catalyst Fuel Trim System Bank 2 Too Rich. What is the cause please.

In both cases the PCM Powertrain Control Module sets code P2097 when it detects an. As the catalyst wears the rear oxygen sensors signal trace begins to. Clicking this will make more experts see the question and we will remind you when it gets answered.

An engine needs the correct amount of air and fuel to run properly. Your cars computer will set the code when it determines that theres too much fuel or too little oxygen in the engines air-fuel mixture. This can happen for multiple reasons and a mechanic needs to diagnose the specific cause for this code to be triggered in your situation.

P2099 SUZUKI Post Catalyst Fuel Trim System High Limit Bank 2. A few months ago I got an error code P2097 saying the Post Catalyst Fuel Trim System Too Rich. P2097 MERCURY Post Catalyst.

P2099 FORD Post Catalyst Fuel Trim System Too Rich Bank 2. P2097 post catalyst fuel trim system too rich. OBD II fault code P2099 is defined by most manufacturers as P2099 as Post catalytic converter fuel trim FT bank 2 too rich.

P2097 HONDA Post Catalyst Fuel Trim System Too Rich Bank 1. Diagnostic trouble code DTC P0172 stands for Fuel System Too Rich Bank 1.

P2097 Obd Ii Code Post Catalyst Fuel Trim System Too Rich Bank 1

P2097 Obd Ii Code Post Catalyst Fuel Trim System Too Rich Bank 1

P2097 Code Post Catalyst Fuel Trim System Too Rich Bank 1 In The Garage With Carparts Com

P2097 Code Post Catalyst Fuel Trim System Too Rich Bank 1 In The Garage With Carparts Com

P2097 2012 Ford Fusion Code Post Catalyst Fuel Trim System Too Rich Bank 1

P2097 2012 Ford Fusion Code Post Catalyst Fuel Trim System Too Rich Bank 1

P2097 Post Catalytic Converter Fuel Trim Ft Bank 1 Too Rich Troublecodes Net

P2097 Post Catalytic Converter Fuel Trim Ft Bank 1 Too Rich Troublecodes Net

P2096 Obd Ii Trouble Code Post Catalyst Fuel Trim System Too Lean

P2096 Obd Ii Trouble Code Post Catalyst Fuel Trim System Too Lean

P2096 Code Post Catalyst Fuel Trim System Too Lean Bank 1 In The Garage With Carparts Com

P2096 Code Post Catalyst Fuel Trim System Too Lean Bank 1 In The Garage With Carparts Com

P2099 2010 Ford Fusion Code Post Catalyst Fuel Trim System Too Rich Bank 2

P2099 2010 Ford Fusion Code Post Catalyst Fuel Trim System Too Rich Bank 2

P2097 Post Catalyst Fuel Trim To Rich Bank 1 North American Motoring

P2097 Post Catalyst Fuel Trim To Rich Bank 1 North American Motoring

Partsavatar Ca Obd Ii Error Code P2097 Solution

Partsavatar Ca Obd Ii Error Code P2097 Solution

P2096 Post Catalytic Fuel Trim Bank 1 System Too Lean 996 Series Carrera Carrera 4 Carrera 4s Targa Renntech Org Community

P2096 Post Catalytic Fuel Trim Bank 1 System Too Lean 996 Series Carrera Carrera 4 Carrera 4s Targa Renntech Org Community

P2096 Code Post Catalyst Fuel Trim System Too Lean Bank 1 In The Garage With Carparts Com

P2096 Code Post Catalyst Fuel Trim System Too Lean Bank 1 In The Garage With Carparts Com

P2097 Code Post Catalyst Fuel Trim System Too Rich Bank 1 In The Garage With Carparts Com

P2097 Code Post Catalyst Fuel Trim System Too Rich Bank 1 In The Garage With Carparts Com

Partsavatar Ca Solution Of Obd Code Error P2099

Partsavatar Ca Solution Of Obd Code Error P2099

Toyota Aurion P2099 Post Catalyst Fuel Trim System Too Rich Bank 2 Drivetrain Resource

Toyota Aurion P2099 Post Catalyst Fuel Trim System Too Rich Bank 2 Drivetrain Resource

Jeep Compass Renegade Code P2097 Downstream Fuel Trim System 1 Rich Youtube

Jeep Compass Renegade Code P2097 Downstream Fuel Trim System 1 Rich Youtube

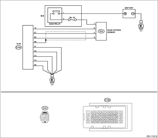
Subaru Crosstrek Service Manual Dtc P2097 Post Catalyst Fuel Trim System Too Rich Bank 1 Diagnostic Procedure With Diagnostic Trouble Code Dtc

Subaru Crosstrek Service Manual Dtc P2097 Post Catalyst Fuel Trim System Too Rich Bank 1 Diagnostic Procedure With Diagnostic Trouble Code Dtc

Subaru Legacy Service Manual Dtc P2097 Post Catalyst Fuel Trim System Too Rich Bank 1 Diagnostic Procedure With Diagnostic Trouble Code Dtc

Subaru Legacy Service Manual Dtc P2097 Post Catalyst Fuel Trim System Too Rich Bank 1 Diagnostic Procedure With Diagnostic Trouble Code Dtc

Fuel Trim System Too Lean Youtube

Fuel Trim System Too Lean Youtube

Help P2096 Post Catalyst Fuel Trim System Too Lean Bank 1 Rx8club Com

Help P2096 Post Catalyst Fuel Trim System Too Lean Bank 1 Rx8club Com

Fuel Trim Fuel Control Diagnosing Faults Part 2

Fuel Trim Fuel Control Diagnosing Faults Part 2

How To Fix P2097 Engine Code In 4 Minutes 2 Diy Methods Only 9 84 Youtube

How To Fix P2097 Engine Code In 4 Minutes 2 Diy Methods Only 9 84 Youtube

Check Engine Code P2097 Questions Answers With Pictures Fixya

Check Engine Code P2097 Questions Answers With Pictures Fixya

P2097 Cadillac Ats

P2097 Cadillac Ats

1

1

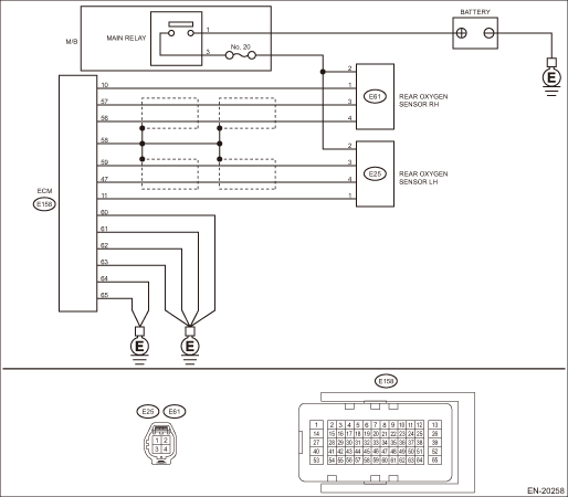
Subaru Legacy Service Manual Dtc P2099 Post Catalyst Fuel Trim System Too Rich Bank 2 Diagnostic Procedure With Diagnostic Trouble Code Dtc

Subaru Legacy Service Manual Dtc P2099 Post Catalyst Fuel Trim System Too Rich Bank 2 Diagnostic Procedure With Diagnostic Trouble Code Dtc

P2097 Code Post Catalyst Fuel Trim System Too Rich Bank 1 In The Garage With Carparts Com

P2097 Code Post Catalyst Fuel Trim System Too Rich Bank 1 In The Garage With Carparts Com

P2097 Obd Ii Codigo De Problemas Post Catalyst Fuel Trim Sistema Muito Rico Banco 1 Artigos 2021

P2097 Obd Ii Codigo De Problemas Post Catalyst Fuel Trim Sistema Muito Rico Banco 1 Artigos 2021

Subaru Crosstrek Service Manual Dtc P2097 Post Catalyst Fuel Trim System Too Rich Bank 1 Diagnostic Procedure With Diagnostic Trouble Code Dtc

Subaru Crosstrek Service Manual Dtc P2097 Post Catalyst Fuel Trim System Too Rich Bank 1 Diagnostic Procedure With Diagnostic Trouble Code Dtc

Subaru Check Engine Light On Dtc P2097 Poor Gas Mileage Post Catalyst Fuel Trim System Too Rich Youtube

Subaru Check Engine Light On Dtc P2097 Poor Gas Mileage Post Catalyst Fuel Trim System Too Rich Youtube

P0304 Cylinder 4 Misfire And P2097 Post Catalyst Fuel Trim System Too Rich Mini Cooper Forum

P0304 Cylinder 4 Misfire And P2097 Post Catalyst Fuel Trim System Too Rich Mini Cooper Forum

P2098 Code Post Catalyst Fuel Trim System Too Lean Bank 2 In The Garage With Carparts Com

P2098 Code Post Catalyst Fuel Trim System Too Lean Bank 2 In The Garage With Carparts Com

Partsavatar Ca P2096 Obd Ii Error Code Solution

Partsavatar Ca P2096 Obd Ii Error Code Solution

13a Dtc P2097 Post Catalyst Fuel Trim System Too Rich

13a Dtc P2097 Post Catalyst Fuel Trim System Too Rich

P2096 Lean Code And P0172 Rich Code E46 Fanatics Forum

P2096 Lean Code And P0172 Rich Code E46 Fanatics Forum

Check Engine Light After Giving It On The Highway Jeep Garage Jeep Forum

Check Engine Light After Giving It On The Highway Jeep Garage Jeep Forum

How To Fix P2096 Code Post Catalyst Fuel Trim System

How To Fix P2096 Code Post Catalyst Fuel Trim System

Cel Code P2097 Subaru Legacy Forums

Cel Code P2097 Subaru Legacy Forums

P2097 Code Post Catalyst Fuel Trim System Too Rich Bank 1 In The Garage With Carparts Com

P2097 Code Post Catalyst Fuel Trim System Too Rich Bank 1 In The Garage With Carparts Com

Need Help With Engine Fault Code Mbworld Org Forums

Need Help With Engine Fault Code Mbworld Org Forums

P0304 Cylinder 4 Misfire And P2097 Post Catalyst Fuel Trim System Too Rich Mini Cooper Forum

P0304 Cylinder 4 Misfire And P2097 Post Catalyst Fuel Trim System Too Rich Mini Cooper Forum

Easy Fix P2096 Post Catalyst Fuel Trim System Too Lean Bank 1 Youtube

Easy Fix P2096 Post Catalyst Fuel Trim System Too Lean Bank 1 Youtube

P2096 Subaru Trouble Code Ricks Free Auto Repair Advice Ricks Free Auto Repair Advice Automotive Repair Tips And How To

P2096 Subaru Trouble Code Ricks Free Auto Repair Advice Ricks Free Auto Repair Advice Automotive Repair Tips And How To

Post Catalyst Fuel Trim System Bank 1 Too Rich Golfmk7 Vw Gti Mkvii Forum Vw Golf R Forum Vw Golf Mkvii Forum

Post Catalyst Fuel Trim System Bank 1 Too Rich Golfmk7 Vw Gti Mkvii Forum Vw Golf R Forum Vw Golf Mkvii Forum

Partsavatar Ca Solution Of Obd Code Error P2099

Partsavatar Ca Solution Of Obd Code Error P2099

Check Engine Light P2097 Error Code Anyone Had That One Before Mbworld Org Forums

Check Engine Light P2097 Error Code Anyone Had That One Before Mbworld Org Forums

Engine Fuel System Failure After 148 Yes 148 Miles Solved Nissan Gt R Forum

Engine Fuel System Failure After 148 Yes 148 Miles Solved Nissan Gt R Forum

Subaru Legacy Service Manual Dtc P2097 Post Catalyst Fuel Trim System Too Rich Bank 1 Diagnostic Procedure With Diagnostic Trouble Code Dtc

Subaru Legacy Service Manual Dtc P2097 Post Catalyst Fuel Trim System Too Rich Bank 1 Diagnostic Procedure With Diagnostic Trouble Code Dtc

Post Catalyst Fuel Trim Dtcs P209x Diagnostic Network

Post Catalyst Fuel Trim Dtcs P209x Diagnostic Network

P2097 Throttle Valve Block Ice Up

P2097 Throttle Valve Block Ice Up

In both cases the PCM Powertrain Control Module sets code P2097 when it detects an.

DTC P2097 Post Catalyst Fuel Trim System High Limit Bank 1 Circuit Description. P2097 is a general OBD-II diagnostic trouble code that indicates a fault with the post catalyst fuel trim system being too rich in bank 1. Code P2097 indicates the downstream bank. P2097 HONDA Post Catalyst Fuel Trim System Too Rich Bank 1. P2097 MERCEDES-BENZ Post Catalyst Fuel Trim System Too Rich Bank 1. Diagnostic trouble code DTC P0172 stands for Fuel System Too Rich Bank 1. Airfuel mixture compensation keeps the frequency of the front oxygen sensor high due to the changes from rich-to-lean combusition. P2099 JEEP Downstream Fuel Trim System 2 Rich. P2097 HYUNDAI Post Fuel Trim Too Rich B1.


This error code would indicate that the powertrain control module. P2099 SUZUKI Post Catalyst Fuel Trim System High Limit Bank 2. P2097 LINCOLN Post Catalyst Fuel Trim System Too Rich Bank 1. P2099 VOLKSWAGEN Post Catalyst Fuel Trim System Bank 2 Too Rich. P2097 FORD Post Catalyst Fuel Trim System Too Rich Bank 1. OBD II fault code P2099 is defined by most manufacturers as P2099 as Post catalytic converter fuel trim FT bank 2 too rich. An engine needs the correct amount of air and fuel to run properly.

Post a Comment for "Post Catalyst Fuel Trim System Too Rich"